| Sign In | Join Free | My chinacomputerparts.com |
|
Brand Name : ST
Model Number : L6599ATDTR
Certification : ROHS
Place of Origin : PHILIPPINES
MOQ : 10PCS
Price : Negotiation
Payment Terms : T/T, Western Union
Supply Ability : 50000PCS/WEEK
Delivery Time : 2-3DAYS
Packaging Details : 2500PCS/REEL
Product Category : Professional Power Management (PMIC)
Installation style : SMD/SMT
Package/Box : SO-16N
Package : Reel
Factory packing quantity : 2500
STMicroelectronics L6599ATDTR Professional Power Management PMIC IMPROVED High Volt RESONANT CONTROLLER
Applications
LCD and PDP TV
Desktop PC, entry-level server
Telecom SMPS
High efficiency industrial SMPS
AC-DC adapter, open frame SMP
Features 50% duty cycle, variable frequency control of resonant half bridge High accuracy oscillator Up to 500 kHz operating frequency Two-level OCP: frequency-shift and latched shutdown Interface with PFC controller Latched disable input Burst mode operation at light load Input for power-ON/OFF sequencing or brownout protection Non-linear soft-start for monotonic output voltage rise 600 V - rail compatible high-side gate driver with integrated bootstrap diode and high dv/dt immunity -300/700 mA high-side and low-side gate drivers with UVLO pull-down Guaranteed for extreme temperature ranges
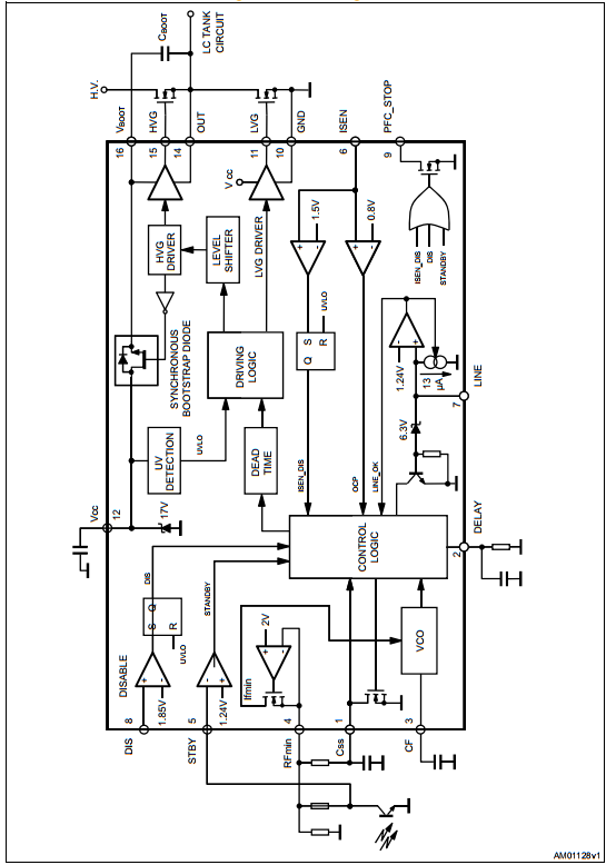
Description The L6599AT is an improved revision of the previous L6599A. It is a double-ended controller specific to series-resonant half bridge topology. It provides 50% complementary duty cycle: the high-side switch and the low-side switch are driven ON/OFF 180° out-of-phase for exactly the same time. Output voltage regulation is obtained by modulating the operating frequency. A fixed deadtime inserted between the turn-off of one switch and the turn-on of the other guarantees soft-switching and enables high-frequency operation. To drive the high-side switch with the bootstrap approach, the IC incorporates a high voltage floating structure able to withstand more than 600 V with a synchronous-driven high voltage DMOS that replaces the external fast-recovery bootstrap diode. The IC enables the designer to set the operating frequency range of the converter by means of an externally programmable oscillator. At startup, to prevent uncontrolled inrush current, the switching frequency starts from a programmable maximum value and progressively decays until it reaches the steady-state value determined by the control loop. This frequency shift is non-linear to minimize output voltage overshoots; its duration is programmable as well. At light load the IC may enter a controlled burst mode operation that keeps the converter input consumption to a minimum. IC functions include a not-latched active-low disable input with current hysteresis useful for power sequencing or for brownout protection, a current sense input for OCP with frequency shift and delayed shutdown with automatic restart. A higher level OCP latches off the IC if the first-level protection is not sufficient to control the primary current. Their combination offers complete protection against overload and short-circuits. An additional latched disable input (DIS) allows easy implementation of OTP and/or OVP. An interface with the PFC controller is provided that enables the pre-regulator to be switched off during fault conditions, such as OCP shutdown and DIS high, or during burst mode operation
Pin connection

Application information The L6599AT is an advanced double-ended controller specific for resonant half bridge topology (see Figure 4). In these converters the switches (MOSFETs) of the half bridge leg are alternately switched on and off (180° out-of-phase) for exactly the same time. This is commonly referred to as operation at “50% duty cycle”, although the real duty cycle, that is the ratio of the ON-time of either switch to the switching period, is actually less than 50%. The reason is that there is an internally fixed deadtime TD inserted between the turn-off of either MOSFET and the turn-on of the other one, where both MOSFETs are off. This deadtime is essential in order for the converter to work correctly: it ensures soft-switching and enables high-frequency operation with high efficiency and low EMI emissions. To perform converter output voltage regulation the device is able to operate in different modes (Figure 3), depending on the load conditions: 1. Variable frequency at heavy and medium/light load. A relaxation oscillator (see Section 6.1: Oscillator for more details) generates a symmetrical triangular waveform, which the MOSFET switching is locked to. The frequency of this waveform is related to a current that is modulated by the feedback circuitry. As a result, the tank circuit driven by the half bridge is stimulated at a frequency dictated by the feedback loop to keep the output voltage regulated, therefore exploiting its frequency-dependent transfer characteristics. 2. Burst mode control with no or very light load. When the load falls below a value, the converter enters a controlled intermittent operation, where a series of a few switching cycles at a nearly fixed frequency are spaced out by long idle periods where both MOSFETs are in OFF-state. A further load decrease is translated into longer idle periods and then in a reduction of the average switching frequency. When the converter is completely unloaded, the average switching frequency can go down even to few hundred hertz, therefore minimizing magnetizing current losses as well as all frequency-related losses and making it easier to comply with energy saving recommendations

Q1. What is your terms of packing?
A: Generally, we pack our goods in neutral white boxes and brown cartons.
If you have legally registered patent, we can pack the goods in your branded boxes after getting your authorization letters.
Q2. What is your MOQ?
A: We provide you small MOQ for each item, it depends your specific order!
Q3. Do you test or check all your goods before delivery?
A: Yes, we have 100% test and check all goods before delivery.
Q4: How do you make our business long-term and good relationship?
We keep good quality and competitive price to ensure our customers benefit ;
We respect every customer as our friend and we sincerely do business and make friends with them,It's not something that can be replaced.
Q5: How to contact us?
A: Send your inquiry details in the below,Click "Send"Now!!!
Shenzhen Hongxinwei Technology Co., Ltd
To adopt new technology,to produce products of quality,to offer high-class service.
Improve the management system continuously to meet customer requirement for high-quality products and services.
Why choose us?
|
|
High Volt Resonant Controller L6599ATDTR PMIC Electronic Integrated Circuits Images |